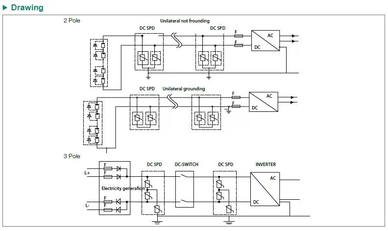
The surge protective device is designed to protect against lightning surge voltages in solar photovoltaic power supply systems. These units must be installed in parallel on the DC networks to be protected, providing both common and differential mode protection. Recommended installation locations are at both ends of the DC power supply line (solar panel side and inverter/converter side), especially for long external routing. Equipped with high-energy MOVs and specific thermal disconnectors with failure indicators.
| Parameter Item | Technical Specification |
|---|---|
| Item | DC Surge Protector |
| Model Number | XLSPD-PV |
| Pole | 2P, 3P |
| Un (V DC) | 500V/600V/800V/1000V/1500V |
| In (8/20)us (kA) | 20 |
| Imax (8/20)us (kA) | 40 |
| Up (kV) | 2P 2.8 / 3P 3.8 |
| Wiring Capacity | Hard: 4~25mm² / Flexible: 4~16mm² |
| Installation | DIN35 Steel Mounting Rail |
| Working Temp | -30°C ~ +70°C |







Average response time 2.75 hours
1000 PCS in less than 7 days
Free product photos and videos
Real-time progress synchronization
Two-year warranty & timely support


With over a decade of experience in the solar accessories industry, we have been dedicated to the manufacturing and R&D of solar products. Our factory spans 10,700 square meters, specializing in miniature circuit breakers, SPDs, fuses, and combiner boxes. Boasting CE, TUV, IEC, and ISO9001 certifications, each product undergoes stringent quality control. With over 10,000 project experiences, we have earned a reputation for high-quality products and competitive pricing.
