1 / 5
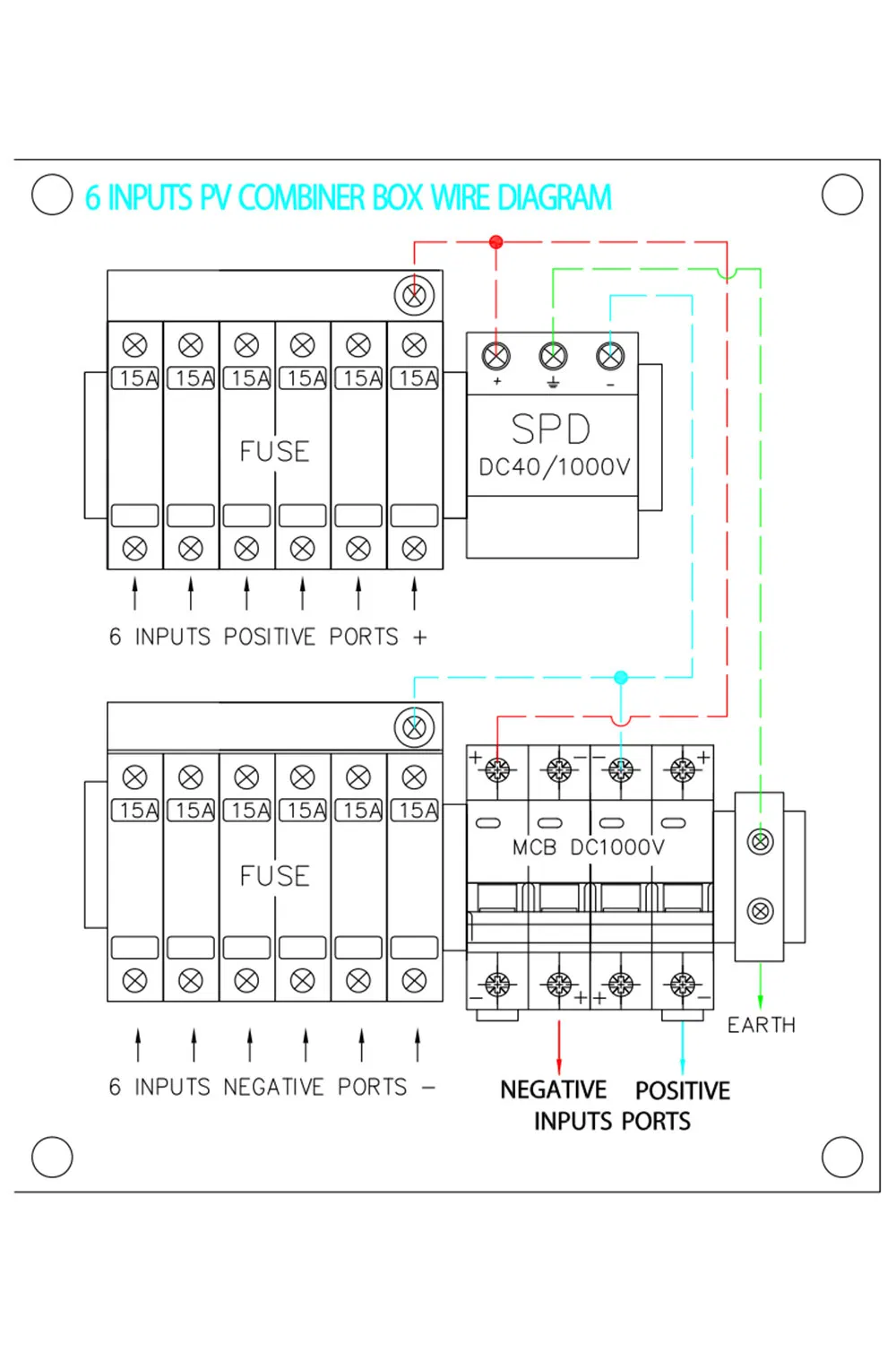
The GD-PV4/1 combiner box is designed for solar inverters with a maximum input voltage of DC550V/DC1000V. It features 2PV input channels and 1 output channel, specifically optimized for single MPPT inverters. The box body is constructed from high-quality PVC engineering materials, rigorously tested for fire retardancy, temperature rise, impact resistance, and anti-ultraviolet properties. Rated at IP65 protection grade, it ensures durability in harsh environments.
Strictly compliant with the "Technical specification for photo-voltaic junction equipment" CGC/GF 037:2014, this product provides a safe, concise, and professional solution for photo-voltaic systems.
| Model Name | GD-PV4/1 | |
| Electric Parameters | ||
| System Max DC Voltage | 550V | 1000V |
| Max Input Current (Per String) | 15A | |
| Max Output Switch Current | 20A / 32A | |
| Number of Output Strings | 1 | |
| Lightning Protection | ||
| Category of Test | II Grade Protection | |
| Nominal Discharge Current | 20kA | |
| Max Discharge Current | 40kA | |
| Voltage Protection Level | 2.8kV | 3.8kV |
| System & Material | ||
| Protection Grade | IP65 | |
| Box Material | PVC | |
| Operating Temperature | -25ºC ~ +55ºC | |



